广州某某电子元件有限公司欢迎您!

电阻是一种什么元件_电阻在串联电路中起什么作用

作者:小编    发布时间:2020-10-31 11:04:55    浏览量:

电阻是一种什么元件

  电阻器(Resistor)在日常生活中一般直接称为电阻。是一个限流元件,将电阻接在电路中后,电阻器的阻值是固定的一般是两个引脚,它可限制通过它所连支路的电流大小。阻值不能改变的称为固定电阻器。阻值可变的称为电位器或可变电阻器。理想的电阻器是线性的,即通过电阻器的瞬时电流与外加瞬时电压成正比。用于分压的可变电阻器。在裸露的电阻体上,紧压着一至两个可移金属触点。触点位置确定电阻体任一端与触点间的阻值。

  端电压与电流有确定函数关系,体现电能转化为其他形式能力的二端器件,用字母R来表示,单位为欧姆Ω。实际器件如灯泡,电热丝,电阻器等均可表示为电阻器元件。

  电阻元件的电阻值大小一般与温度,材料,长度,还有横截面积有关,衡量电阻受温度影响大小的物理量是温度系数,其定义为温度每升高1℃时电阻值发生变化的百分数。电阻的主要物理特征是变电能为热能,也可说它是一个耗能元件,电流经过它就产生内能。电阻在电路中通常起分压、分流的作用。对信号来说,交流与直流信号都可以通过电阻。

  电阻在串联电路中起什么作用

  电阻的分压作用:

  不管是100欧姆、1k欧姆、470欧姆等的电阻都有分压作用。因为电流流过电阻时会产生电压降,使用电阻分压时可以将两个电阻串联起来使用。如下面的电路图为了得到不同的电压R1和R2可以选择不同的电阻值,我们通过Vmeas=Vref(R2/(R2+R1))就是串联两个电阻间的电压值。

电阻是一种什么元件_电阻在串联电路中起什么作用

  电阻可以构成限流的作用:

  在电路中有的电子元器件比较“娇贵”,对电流很“敏感”稍有较大的电流通过就会损坏,这时我们可以用电阻来限制电流的通过能够有效地保护电子元器件,比如发光二极管就是其中的一种,在很多情况下都用电阻来限制通过二极管的电流值,防止因电流过大而烧毁二极管,如下图所示的那样这个限流电阻可以选择1K左右的就可以了。

电阻是一种什么元件_电阻在串联电路中起什么作用

  电阻与电容组合可构成滤波作用:

  在有的电路中我们会发现一个电阻与两个电容构成一个“π”的滤波环节,对整流后的输出电压有一定的滤波功能。

电阻是一种什么元件_电阻在串联电路中起什么作用

  与单个电容可以构成电路的积分和微分环节

  在一些电路中我们还可以看到用1K欧姆或者470欧姆等电阻可以构成积分或者微分电路去形成脉冲波形,这些环节在脉冲数字电路中会经常见到很有实用性,如下图所示的那样。

电阻是一种什么元件_电阻在串联电路中起什么作用

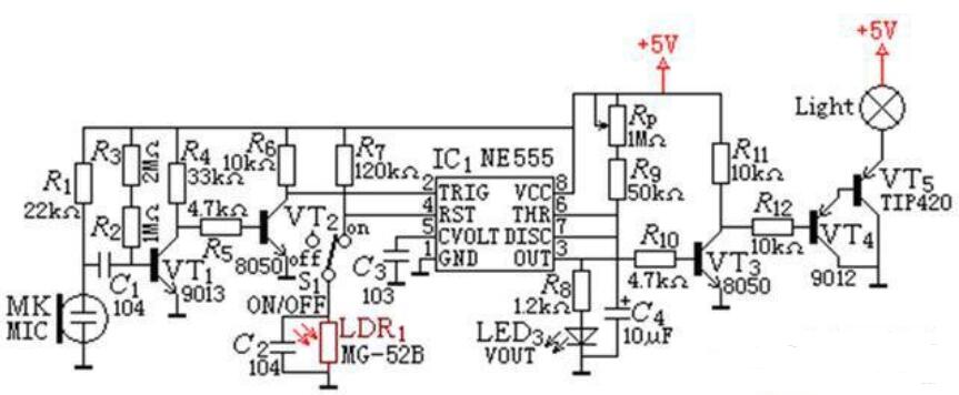
  与NE555芯片和一些电阻可构成延时电路

  在一些定时的场合通过电阻与一些其它的电子元器件可以构成延时功能的电路,对于定时电路很有实用性,比如可以用NE555和电容就可以构成定时环节的电路。如下图就是用NE555和电阻RP、R50和电容C4构成一个充电和放电的延时环节,在声、光控电路中应用非常广泛。

电阻是一种什么元件_电阻在串联电路中起什么作用

  由此可见电阻的用处非常多,在电路中可以组成不同功能的电路功能。


推荐新闻



关注官方微信